skraplacz aluminiowo-miedziany fi8 mm pojedynczy - różne modele serii SK

100,00 zł Netto
123,00 zł Brutto
Wydajność
  • do zastosowań w małych urządzeniach chłodniczych
  • zgodność z niskonapięciową dyrektywą europejską 73/23 EEC
  • wersja standardowa z wentylatorami ssącymi
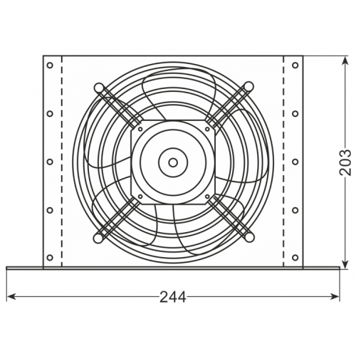
  • wymienniki są wyprodukowane z rur miedzianych o średnicy Ø7,94x0,7 mm, lamele aluminiowe
  • obudowa ze stali ocynkowanej, ze stopami bocznymi do łatwego mocowania
  • wszystkie wymienniki testowane suchym powietrzem pod ciśnieniem 35 bar
  • w standardzie aluminiowe śmigło wentylatora lub z PCV na zapytanie
  • lakierowane osłony wentylatora

Silniki do wyboru:

  • Wersja standardowa wyposażona w jednofazowy 230V/50Hz silnik seri SKW-YZ
  • klasa ochrony IP42
  • trzy żyłowy przewód elektryczny
  • możliwośc na zapytanie doposażenie w silnik produkcji EBM lub innej
  • Wersja EC wyposażona w silnik z zabezpieczeniem przeciwwybuchowym SKW-ECO
  • ceryfikowany (CCC CE RoHs VDE UL EX)
  • klasa ochrony IP65
  • dwu żyłowy przewód elektryczny
  • możliwość zamontowania innych modeli silników EC na zapytanie

PARAMETRY OBLICZONO DLA: Δ=15K, Tz=30°C, 45%, R404A

100 Przedmioty
Modele SK
SK-0680 - EC
SK-0680 - standard

Nowa rejestracja konta

Posiadasz już konto?
Zaloguj się lub zresetuj hasło